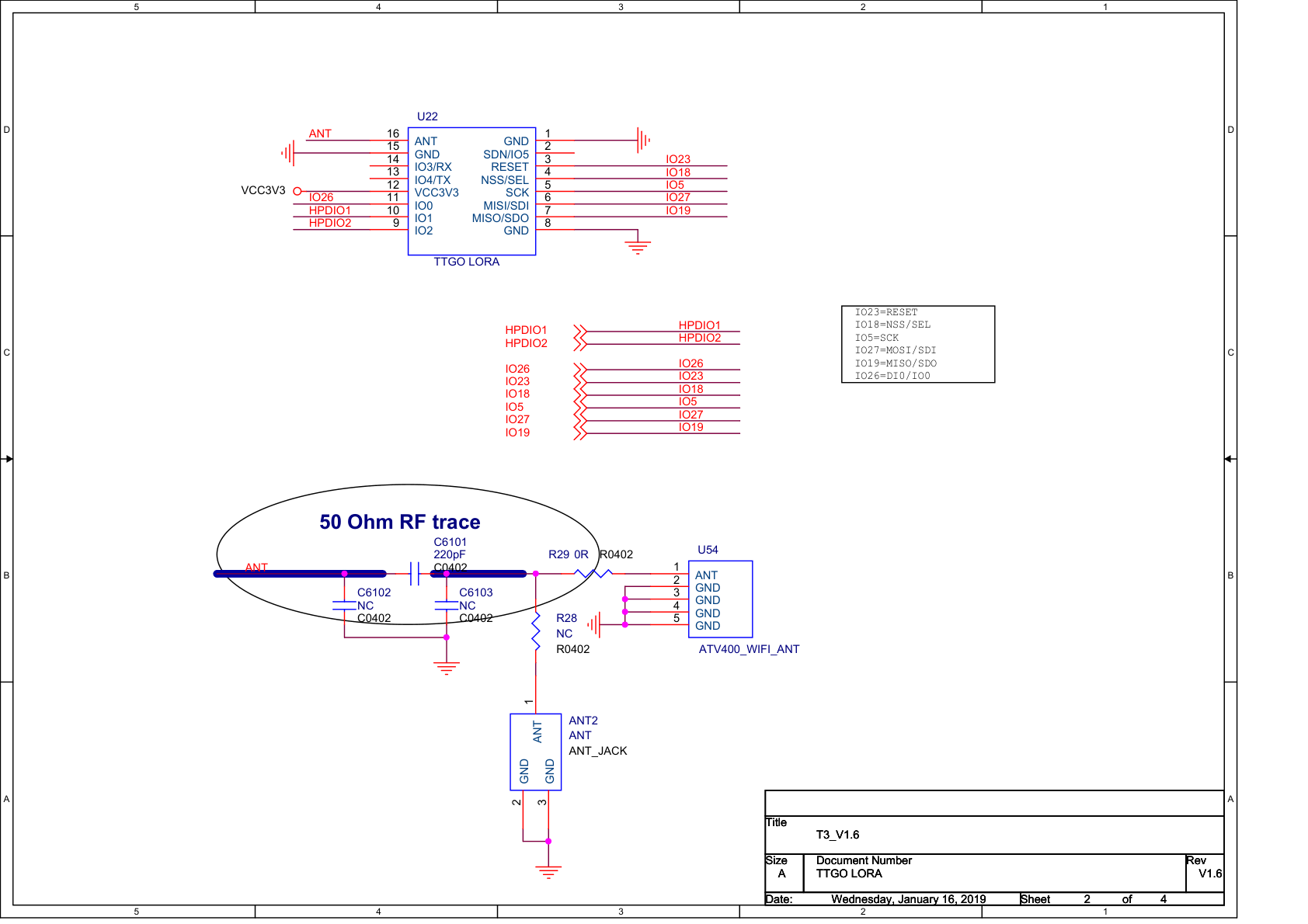
Files
DD3-LoRa-Bridge-MultiSender/doc/schematic1in6_page2.png